SERIES #FS55
- API 607 4th Edition Tested & Certified
- 3-Piece Full Port
- 2000 W.O.G.
- 316
- S.W/NPT/ B.W.
- Size 1/2" to 4"
- Locking Handle Standard
Features & Benefits
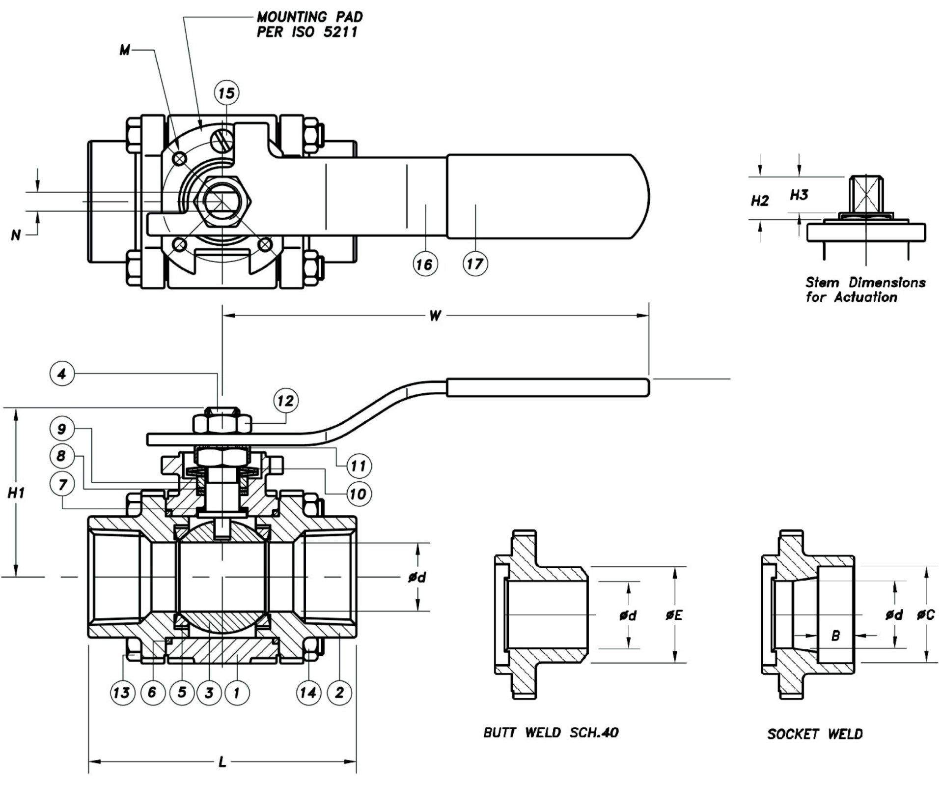
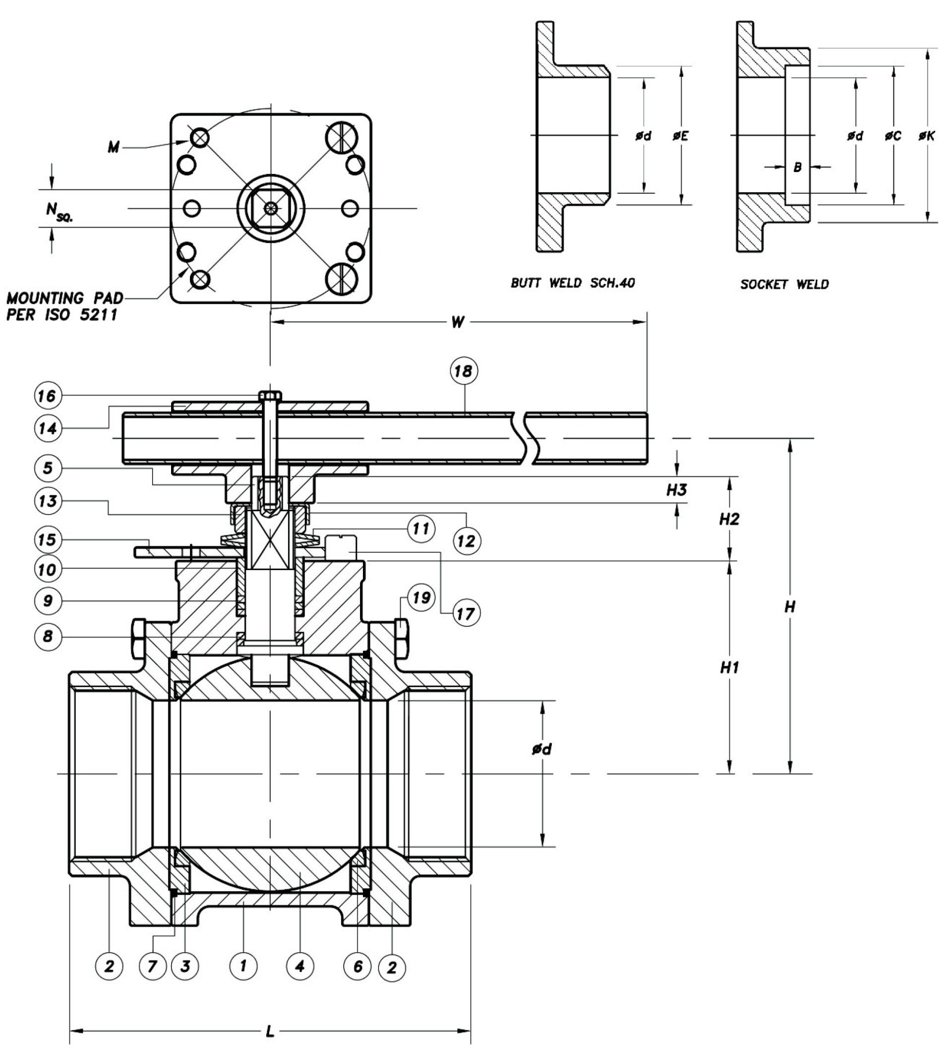
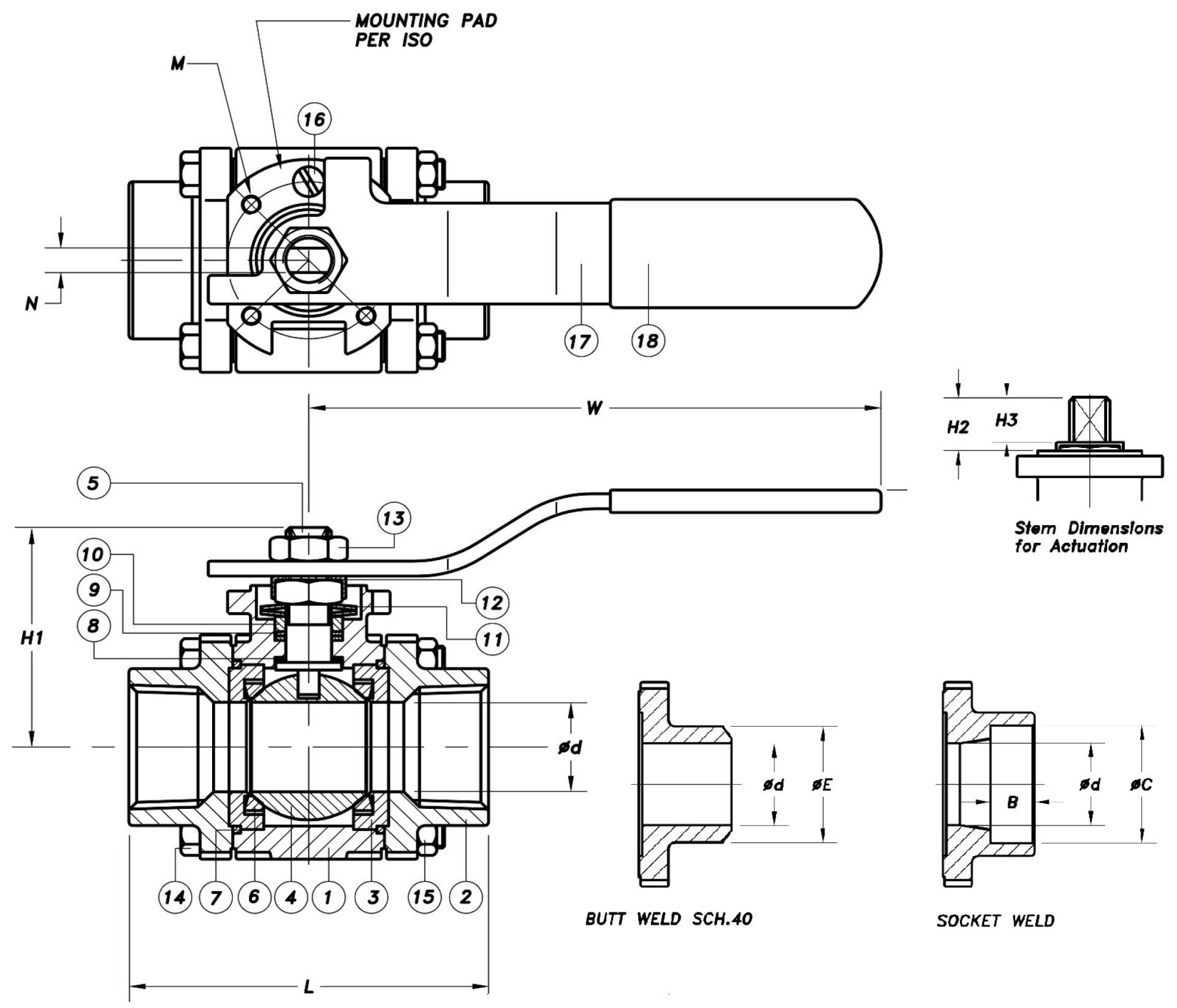
3-Piece Design
Swing-out construction makes the valve easy to repair in line
Blow Out Proof Stem
Stem is bottom loaded to prevent removal when valve is in service
Locking Handle
Enables plant personnel to secure valve in open or closed position when manually operated
Full Port Design
Improves flow resulting in increased process efficiencies
Investment Cast
High quality investment castings improves dimensional control and reduce porosity.
Fire Safe Tested to API 607 4th Edition
High Cycle Live Loaded Stem Packing
Spring energized steam seals self adjust to compensate for wear, pressure and temperature changes enduring a leak tight seal and extending service life
ISO 5211 Mounting Pad with Centering LIP
Ideal for actuation. Centering LIP feature assures precise alignment of bracket, stem and coupler.
Heavy Duty Construction
Made to full ANSI B16.34 class 600 dimensions for trouble-free performance over a wide range of service conditions.
Traceability
CMTR's are available upon request
Schematic Diagram
Operating / Test Conditions
- Temperature Range (RTFE) -20°F to 550°F (depends on seats)
- Maximum working pressure: 3000 W.O.G (depends on size and seats)
- All valves built and pressure tested to ANSI/ASME B16. 34, MSS-SP-110 and API 598
- All Materials comply with applicable A S TM material specifications
- End Connections: all to B16.34, FNPT to B1.20.1 socket weld to B16.11, Butt weld to B16.35
Options
- Avaliable in Carbon Steel Construction A S TM A216-WCB
- End Connections available in: NPT, Socket Weld and Butt Weld
- High temperature seats and seals
- High pressure seats and seals






