SERIES #FS50 - FIRE SAFE
- Api 607 5th Edition Tested & Certified
- 2-Piece Full Port NPT
- ANSI 150 Flanged End.
- 316/ WCB
- Size 1/2" to 6"
- Temp: -20° F to 450° F
Features & Benefits
Full Port Design
Improves flow resulting in increased process efficiencies
Blow Out Proof Stem
Stem is bottom loaded to prevent removal when valve is in service
Locking Handle
Enables plant personnel to secure valve in open or closed position when manually operated
Corrosion Resistant
Made of 316 Stainless Steel (A351 GR. CF8M)
Investment Cast
Improves dimensional control and reduces porosity.
ISO 5211 Mounting Pad
Fire Safe Design
API 607 5th edition Tested & Certified
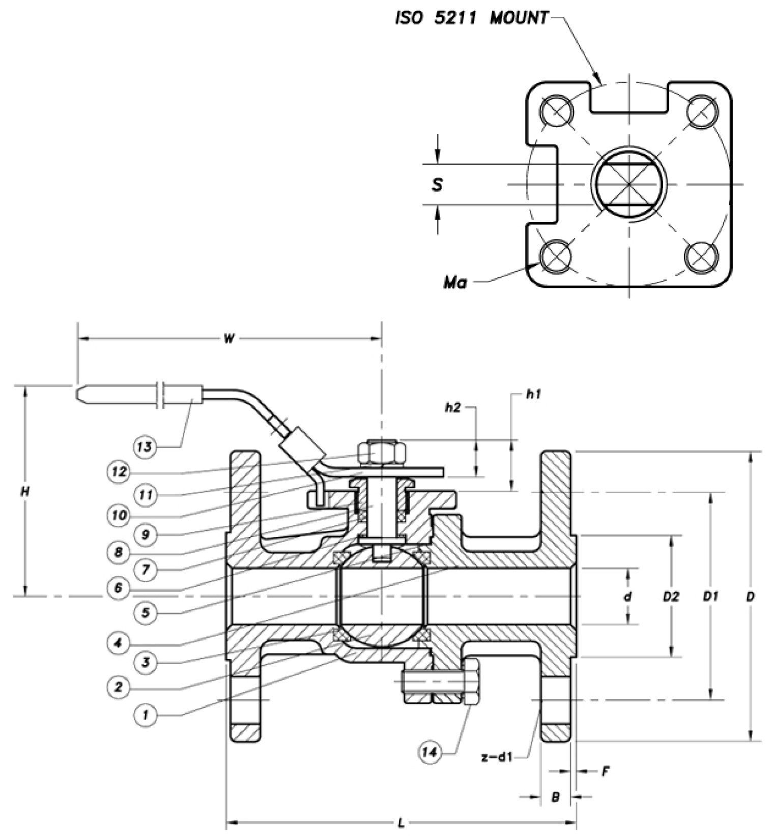
Schematic Diagram
Operating / Test Conditions
- Temperature Range (RTFE) -20°F to 450°F
- Maximum working pressure: ANSI 150: 275 PSI WOG @ 100F | ANSI 300: 720 PSI WOG @ 100F
- All valves are shell and seat tested to ANSI/ASME B16-34 and APE 598
- Face to Face ANSI B16-10
Options
- Available in Stainless Steel A S TM A351- 316
- Avaliable in Carbon Steel A S TM A216-WCB
- Stem Extensions
- Pneumatic or Electric Automation
- ANSI 300 Flanged





